



Kertausta
Diodin kynnysjännite
Diodi päästää sähkövirran kulkemaan lävitseen vain yhteen suuntaan, päästösuuntaan.

Hohtodiodi eli ledi eli LED

Ratkaisu
3.1
Lähteen jännite U = 14,4 V
Ledin kynnysjännite U(L) = 1,7 V
Sähkövirta I = 0,0200 A
Etuvastuksen resistanssi R = ?
Kirchhoffin II lain mukaan:U – U(R) – U(L) = 0Ohmin lain mukaan vastuksessa tapahtuva jännitehäviö U(R) = RI Saadaan R = (U – U(L)) / I Virta ei saa ylittää tiettyä arvoa, jolloin saadaan resistanssin pienin arvo R = 640 ohmia.
3.2
Lähteen jännitteen suurin arvo U = ?
Etuvastuksen R = 830 ohmia
Sähkövirta I = 0,0300 A
Ledin kynnysjännite U(L) = 1,7 V vaikka virta kasvaa
Saadaan Kirchhoffin II lain avulla:
U – U(L) – RI = 0
U = U(L) + RI = 26,6 V = 27 V
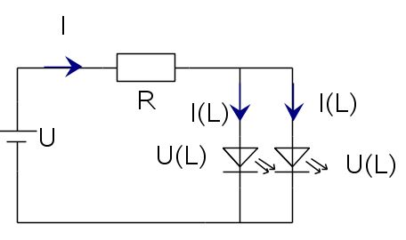
3.3

Etuvastuksen ja lediyhdistelmien jännitehäviö U(R) + U(L) = U
RI + U(L) = U
Virta I = 2I(L)
Saadaan R = (U – U(L)) / I = (14,4 V – 1,7 V) / 0,0400 A = 317,5 ohmia = 320 ohmia